62彩集团



英格索兰SM8AMA气动马达

                                                          SM8AMA
        
 美国英格索兰ingersoll rand SELECT系列SM8AMA气动马达参数如下:
最大功率:3.6KW
最大功率转速:2500RPM/MIN
最大功率扭矩:13.6NM
最大功率耗气量:4.3m³/min
重量:11.8KG。
产品特点:体积小,重量轻,可用于无油润滑。可提供不锈钢型号。
拓展型号:SM8AMAN
老型号:MRV050A,MRV050B5D90
不锈钢型号:MRV050RSSA
 
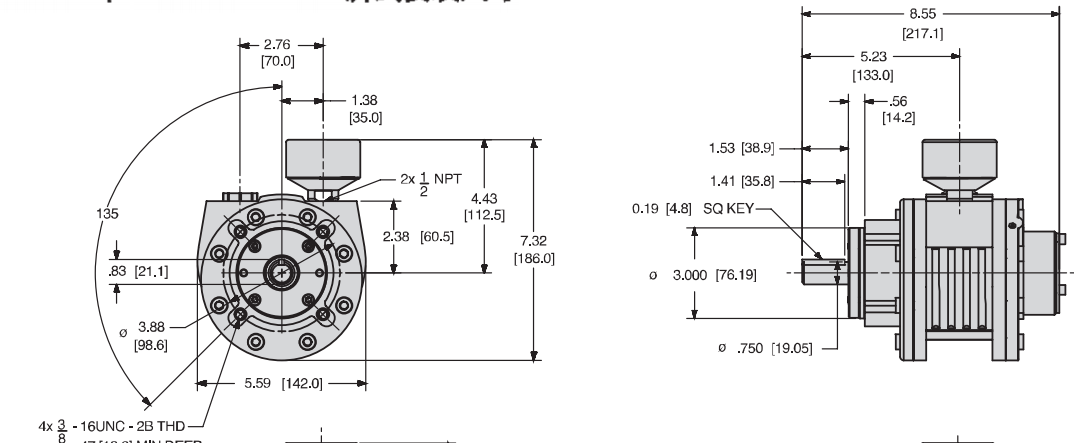
尺寸图

参数曲线图:

如需了解更多信息,请咨询销售工程师。


下一条:没有了!

相关产品推荐

关注官方微信

Copyright © 北京文宸科技有限责任公司 版权所有 备案ICP号:
澳门灵蛇网4949-香港灵蛇网论坛资料大全最新-灵蛇网4846cc最新版本更新内容-灵蛇网4668cc-灵蛇澳门2025年今晚看 香港六玄开奖网-六玄网132432-六玄神马开奖44579-六玄公式6588777-六玄神马免费中特料-澳彩六玄网论坛6258cmcc 百瑞彩票网 灵蛇澳门2025年今晚看-灵蛇网4846cc-灵蛇网免费资料大全--灵蛇网4846cc最新版本更新内容-澳门灵蛇网4949 天游8线路检测中心|欢迎您 顺发2468 - 首页