62彩集团
搜!
首页
62彩集团
气动马达系列
气动搅拌器系列
气动工具系列
气动隔膜泵系列
污水处理药剂
新闻动态
公司新闻
业内动态
解决方案
气动隔膜泵解决方案
气动工具解决方案
气动搅拌器解决方案
气动马达解决方案
污水处理解决方案
应用案例
气动隔膜泵应用案例
气动工具应用案例
气动搅拌器应用案例
气动马达应用案例
污水处理应用案例
资料下载
气动马达资料
气动隔膜泵资料
其他资料
公司概况
公司概况
品牌概况
经理致辞
企业文化
文宸服务
联系我们
首页
>>
62彩集团
>>
气动马达系列
>>
英格索兰INGERSOLL RAND气动马达
英格索兰SM1AMA气动马达
产品描述
SM1AMA
美国英格索兰ingersoll rand SELECT系列SM1AMA气动马达参数如下:
最大功率:0.25KW
最大功率转速:7600RPM/MIN
最大功率扭矩:0.31NM
最大功率耗气量:0.5m³/min
重量:0.9KG。
产品特点:体积小,重量轻,可提供不锈钢气动马达,可用于无油润滑。
拓展型号:SM1AM-AG587
老型号:
MRV003A
不锈钢型号:MRV003RSSA
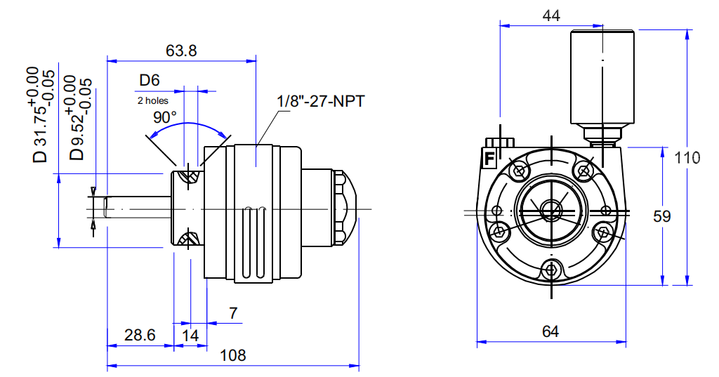
尺寸图
参数曲线图:
如需了解更多信息,请咨询销售工程师。
上一条:
英格索兰3840系列气动马达
下一条:
英格索兰SM1UPC气动马达
相关产品推荐
气动马达水磨钻机
atlascopco···
atlascopco···
ATLAS COPC···
62彩集团
气动马达系列
气动搅拌器系列
气动工具系列
气动隔膜泵系列
污水处理药剂
新闻动态
公司新闻
业内动态
解决方案
气动隔膜泵解决方案
气动工具解决方案
气动搅拌器解决方案
气动马达解决方案
污水处理解决方案
应用案例
气动隔膜泵应用案例
气动工具应用案例
气动搅拌器应用案例
气动马达应用案例
污水处理应用案例
资料下载
气动马达资料
气动隔膜泵资料
其他资料
公司概况
公司概况
品牌概况
经理致辞
企业文化
文宸服务
联系我们
关注官方微信
Copyright © 北京文宸科技有限责任公司 版权所有 备案ICP号:
澳门灵蛇网4949-香港灵蛇网论坛资料大全最新-灵蛇网4846cc最新版本更新内容-灵蛇网4668cc-灵蛇澳门2025年今晚看
香港六玄开奖网-六玄网132432-六玄神马开奖44579-六玄公式6588777-六玄神马免费中特料-澳彩六玄网论坛6258cmcc
百瑞彩票网
灵蛇澳门2025年今晚看-灵蛇网4846cc-灵蛇网免费资料大全--灵蛇网4846cc最新版本更新内容-澳门灵蛇网4949
天游8线路检测中心|欢迎您
顺发2468 - 首页